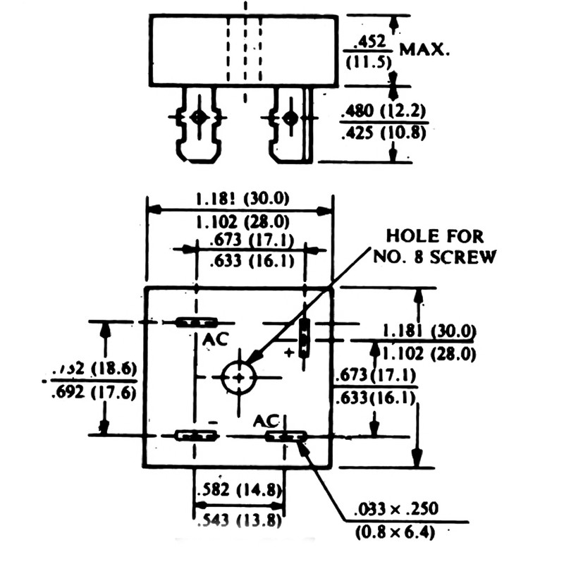
پل دیود مدل KBPC3510
-
ویژگیهای قطعات الکترونیکی
آموزشی، صنعتی، عمومی
آموزشی، صنعتی، عمومی
فروشنده
- فروشگاه ابزار فروشی
- گارانتی اصالت و سلامت فیزیکی کالا
- موجود در انبار فروشگاه ابزار فروشی
امکان تحویل اکسپرس
۲۴ ساعته، ۷ روز هفته
امکان پرداخت در محل
هفت روز ضمانت بازگشت کالا
ضمانت اصل بودن کالا
کالا های مشابه
مشخصات فنی
مشخصات
ابعاد
10x4x5 میلیمتر
قابلیت ها
پل دیود تک فاز جریان IF : مقدار 35 آمپر ولتاژ پیک معکوس: 1000 ولت ولتاژ Vf : مقدار 1.1 ولت حداکثر جریان لحظه ای Surge : مقدار 400 آمپر محدوده کارکرد دمایی: 55- تا 150+ درجه سانتیگراد
ویژگیهای قطعات الکترونیکی
آموزشی
صنعتی
عمومی
خرید بالای 250 هزار تومان به صورت رایگان ارسال می شود
پل دیود مدل KBPC3510
- فروشگاه ابزار فروشی
- گارانتی اصالت و سلامت فیزیکی کالا
- موجود در انبار فروشگاه ابزار فروشی




